Main Website -- 1 - 4 Day Shipping on over 85,000 Arctic Cat Parts & Accessories
* FREE SHIPPING (CANADA ONLY) ON ALL ORDERS OVER $200
(NOT INCLUDING OVERSIZE) *

* 5% Discount on all Online Parts Orders *
* 30% Discount is shown when part price is shown
on IN-STOCK Online Parts Orders ONLY *

* 30% Discount SUBJECT TO AVAILABILITY *
In-Stock part quantites are updated daily on a first come
first serve basis. If discounted item is sold out, customer will be
notified before substituting for a regular priced item

Guaranteed Secure Credit Card Order Transfers
Parts Search:
Back to assembly list
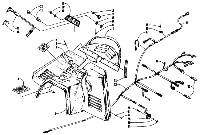
Arctic Cat Parts for 1991 PROWLER MOUNTAIN CAT SNOWMOBILE CONSOLE, SWITCHES, AND WIRING ASSEMBLIES
Parts Diagram for Arctic Cat 1991 PROWLER MOUNTAIN CAT SNOWMOBILE CONSOLE, SWITCHES, AND WIRING ASSEMBLIES