Main Website -- 1 - 4 Day Shipping on over 85,000 Arctic Cat Parts & Accessories
* FREE SHIPPING (CANADA ONLY) ON ALL ORDERS OVER $200
(NOT INCLUDING OVERSIZE) *

* 5% Discount on all Online Parts Orders *
* 30% Discount is shown when part price is shown
on IN-STOCK Online Parts Orders ONLY *

* 30% Discount SUBJECT TO AVAILABILITY *
In-Stock part quantites are updated daily on a first come
first serve basis. If discounted item is sold out, customer will be
notified before substituting for a regular priced item

Guaranteed Secure Credit Card Order Transfers
Parts Search:
Back to assembly list
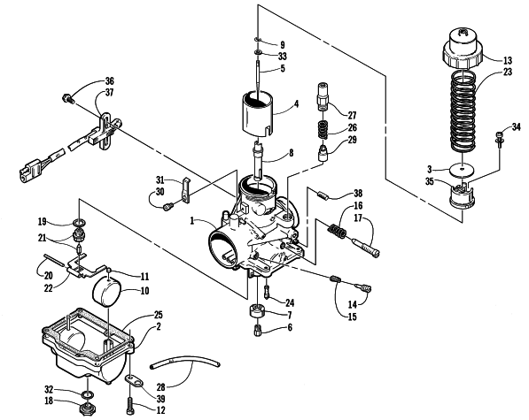
Arctic Cat Parts for 2002 PANTHER 440 () SNOWMOBILE CARBURETOR
Parts Diagram for Arctic Cat 2002 PANTHER 440 () SNOWMOBILE CARBURETOR